| Sign In | Join Free | My futurenowinc.com |
|
| Categories | Shell And Tube Condenser |
|---|---|
| Brand Name: | GREEFOUN |
| Certification: | CE, ISO |
| Place of Origin: | china |
| MOQ: | 1 |
| Price: | USD300-USD3000 |
| Supply Ability: | 1000PCS PER YEAR |
| Delivery Time: | 15DAYS |
| Packaging Details: | STANDARD EXPORT PACKAGE |
| Refrigerant: | R22/R134a/R407C/R410A |
| Tube Material: | Copper tube |
| Shell Material: | stainless steel |
| Cooling capacity: | 18KW~4000KW |
| Type: | Shell and tube type |
| Performance: | Anti-corrision, Anti-acid |
Water Air Cooled Condenser Aluminium Copper Heat Exchanger Shell Tube Type Industrial Custom
1, Introduction:
(1) The product is applicable to water chiller units, water source heat pump units etc.
(2) Suitable refrigerants are R22, R134a, R407C, R410A etc.
(3) Apply load cold agent for tap water, underground water, river water and sea water or brine, water and
glycol solution, sulfate solution, etc.
(4) For heat exchange tube, copper pipe, copper nickel alloy tube, aluminum brass tube, stainless steel
tube, etc. Shell using seamless steel pipe, stainless steel tube, etc.
2, Heat exchange tube: two main specifications.
(1) ∅ within 5/8 "efficient copper pipe outside screw wing, ∅ 5/8"
stainless steel pipe.
(2) the ∅ 3/4 "inside outside screw wing efficient copper tube, ∅
3/4" stainless steel pipe
3, Main material, the shell of 20 # seamless steel pipe, stainless steel pipe.
4, Interface:
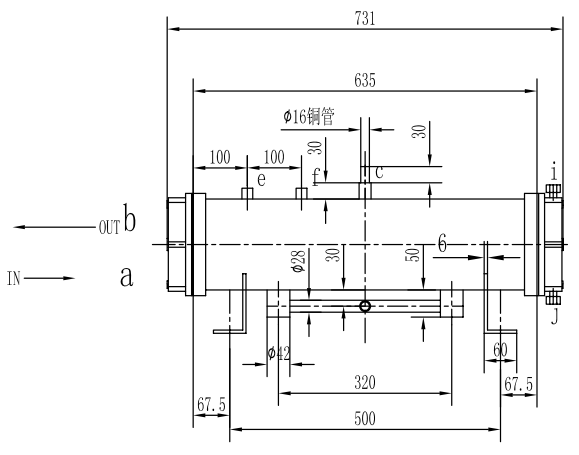
Details drawing and technical data are as below:
DRAWING

CONDENSER SERIES SINGLE MACHINE CAPACITY: 3RT TO 15RT
| Model | Refrig. ton (RT) | Refrig. ton (104kcal/h) | Dimension (mm) | Weight (kg) | Max. water flow | |||||
| D | T1 | T | A | C | E | |||||
| QXC3S4 | 3 | 1.134 | 114 | 635 | 721 | 75 | 140 | 70 | 23 | 2.5 |
| QXC5S5 | 5 | 1.890 | 140 | 635 | 721 | 75 | 165 | 70 | 33 | 4 |
| QXC8S6 | 8 | 3.024 | 168 | 762 | 858 | 90 | 185 | 92 | 49 | 6.5 |
| QXC10S6 | 10 | 3.780 | 168 | 953 | 1049 | 90 | 185 | 92 | 58 | 7.8 |
| QXC12S6 | 12 | 4.536 | 168 | 953 | 1049 | 90 | 185 | 92 | 62 | 9.6 |
| QXC15S6 | 15 | 5.670 | 168 | 1270 | 1366 | 100 | 185 | 92 | 75 | 11.6 |
| Model | S (Vent) | P (fluoride inlet) Copper pipe diameter (inch) | L(fluoride outlet) Copper pipe diameter (inch) | W (standard port) | W (optional port) |
| FPT(inner pipe thread) | FPT(inner pipe thread) | FPT(inner pipe thread) | |||
| QXC3S4 | 1/4 | 5/8 | 5/8 | 1 | 3/4 |
| QXC5S5 | 1/4 | 5/8 | 5/8 | 1-1/2 | 1 |
| QXC8S6 | 1/4 | 7/8 | 5/8 | 1-1/2 | 1 |
| QXC10S6 | 1/4 | 7/8 | 5/8 | 1-1/2 | 1 |
| QXC12S6 | 1/4 | 1-1/8 | 7/8 | 1-1/2 | 1 |
| QXC15S6 | 1/4 | 1-1/8 | 7/8 | 1-1/2 | 1 |
CONDENSER SERIES SINGLE MACHINE CAPACITY: 20RT TO 35RT
| Model | Refrig. ton (RT) | Refrig. ton (104kcal/h) | Dimension (mm) | Weight (kg) | Max. water flow | |||||
| D | T1 | T | A | C | E | |||||
| QXC20S8 | 20 | 7.560 | 219 | 1270 | 1380 | 90 | 238 | 113 | 110 | 15.8 |
| QXC25S8 | 25 | 9.450 | 219 | 1600 | 1710 | 120 | 238 | 113 | 121 | 19.5 |
| QXC30S8 | 30 | 11.340 | 219 | 1600 | 1710 | 120 | 238 | 113 | 134 | 23 |
| QXC35S8 | 35 | 13.230 | 219 | 1600 | 1710 | 120 | 238 | 113 | 140 | 27.3 |
| Model | S (Vent) | P (fluoride inlet) Copper pipe diameter (inch) | L(fluoride outlet) Copper pipe diameter (inch) | W (standard port) | W (optional port) |
| FPT(inner pipe thread) | FPT(inner pipe thread) | FPT(inner pipe thread) | |||
| QXC20S8 | 1/4 | 1-1/8 | 7/8 | 2-1/2 | 2 |
| QXC25S8 | 1/4 | 1-1/8 | 7/8 | 2-1/2 | 2 |
| QXC30S8 | 1/4 | 1-3/8 | 1-1/8 | 2-1/2 | 2 |
| QXC35S8 | 1/4 | 1-5/8 | 1-1/8 | 2-1/2 | 2 |
CONDENSER SERIES SINGLE MACHINE CAPACITY: 40RT TO 60RT
| Model | Refrig. ton (RT) | Refrig. ton (104kcal/h) | Dimension (mm) | Weight (kg) | Max. water flow | |||||
| D | T1 | T | A | C | E | |||||
| QXC40S10 | 40 | 15.12 | 273 | 1600 | 1750 | 120 | 273 | 85 | 172 | 31 |
| QXC45S10 | 45 | 17.01 | 273 | 1600 | 1750 | 120 | 273 | 85 | 180 | 35 |
| QXC50S10 | 50 | 18.90 | 273 | 2032 | 2182 | 120 | 273 | 85 | 209 | 38.5 |
| QXC55S10 | 55 | 20.79 | 273 | 2032 | 2182 | 120 | 273 | 85 | 217 | 42.5 |
| QXC60S10 | 60 | 22.68 | 273 | 2032 | 2182 | 120 | 273 | 85 | 224 | 46 |
| Model | S (Vent) | P (fluoride inlet) Copper pipe diameter (inch) | L(fluoride outlet) Copper pipe diameter (inch) | W (standard port) | W (optional port) |
| FPT(inner pipe thread) | FPT(inner pipe thread) | FPT(inner pipe thread) | |||
| QXC40S10 | 3/8 | 1-5/8 | 1-1/8 | 3 | 2-1/2 |
| QXC45S10 | 3/8 | 1-5/8 | 1-1/8 | 3 | 2-1/2 |
| QXC50S10 | 3/8 | 1-5/8 | 1-1/8 | 3 | 2-1/2 |
| QXC55S10 | 3/8 | 1-5/8 | 1-3/8 | 3 | 2-1/2 |
| QXC60S10 | 3/8 | 1-5/8 | 1-3/8 | 3 | 2-1/2 |

COOPERATED CLENTS

|